Техническое описание
Условия применения
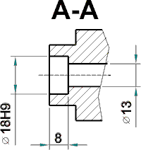
Габаритные и присоединительные размеры
Варианты сборки
Технические характеристики
Паспорт
Техническое описание
Редукторы Ч-80 применяются в качестве привода для понижения угловой скорости и увеличения крутящего момента. Редуктор имеет небольшую массу т.к. сделан из сплава алюминия. Выходной вал редуктора цилиндрический или полый, зависит от варианта сборки. Передаточное отношение в пределах 8 – 80. Контроль уровня масла осуществляется через специальное отверстие на корпусе редуктора. Новые редукторы поставляются покупателю в незаправленном виде, поэтому перед эксплуатацией в них обезательно нужно залить масло.
УСЛОВИЯ ПРИМЕНЕНИЯ РЕДУКТОРОВ Ч-80
- Климатич. варианты исполнения: У,Т – категории размещения 1-3 , а также исполнения УХЛ/О - категория размещения 4 (ГОСТ 15150-69);
- Эксплуатация предполагается в постоянном режиме – не более 24 ч/сут или с периодическими остановками;
- Вал редуктора рассчитан на вращение в обе стороны, частота не выше 1800об/мин;
- Устройство адаптировано для работы в условиях переменной и постоянной нагрузки (одного направления/реверсивная);
- Эксплуатация предполагается в постоянном режиме – не более 24 ч/сут или с периодическими остановками;
- Вал редуктора рассчитан на вращение в обе стороны, частота не выше 1800об/мин.;
- Характер атмосферы: I и II (ГОСТ 15150-69), запыленность окружающего воздуха не должна превышать 10 мг/м.куб.

Габаритные и присоединительные размеры




Варианты сборки

Варианты сборки редукторов и расположения червячной пары

Варианты расположения лап (1-без лап; 2-5 расположение лап по плоскостям)
Технические характеристики червячного редуктор Ч-80
Номинальные передаточные числа Uном. |
Значения допустимых крутящих моментов на выходном валу, к.п.д. и термической мощности при частоте вращения входного вала n, об/мин. |
Допускаемая консольная нагрузка на вале , Н |
750 |
1000 |
1500 |
входном |
выходном |
Мт, Н м |
h |
Nт, квт |
Мт, Н м |
h |
Nт, квт |
Мт, Н м |
h |
Nт, квт |
8,0 |
280 |
0,89 |
3,1 |
250 |
0,90 |
3,6 |
212 |
0,91 |
4,6 |
500 |
4000 |
10,0 |
250 |
0,88 |
2,2 |
224 |
0,89 |
2,6 |
190 |
0,90 |
3,4 |
12,5 |
250 |
0,86 |
1,8 |
230 |
0,87 |
2,2 |
195 |
0,89 |
2,8 |
16,0 |
280 |
0,83 |
1,7 |
250 |
0,85 |
1,9 |
218 |
0,86 |
2,5 |
20,0 |
243 |
0,79 |
1,2 |
224 |
0,81 |
1,5 |
195 |
0,84 |
1,9 |
25,0 |
243 |
0,78 |
1,0 |
224 |
0,79 |
1,2 |
195 |
0,83 |
1,5 |
31,5 |
300 |
0,72 |
1,1 |
280 |
0,75 |
1,0 |
250 |
0,78 |
1,7 |
40,0 |
243 |
0,67 |
0,7 |
218 |
0,71 |
0,9 |
195 |
0,73 |
1,1 |
50,0 |
243 |
0,65 |
0,6 |
230 |
0,66 |
0,8 |
206 |
0,71 |
0,9 |
63,0 |
224 |
0,60 |
0,5 |
212 |
0,62 |
0,6 |
190 |
0,64 |
0,8 |
80,0 |
200 |
0,55 |
0,4 |
190 |
0,58 |
0,5 |
175 |
0,61 |
0,6 |
Двухступенчатые цилиндрические редукторы 1Ц2У-100, 1Ц2У-125, 1Ц2У-160, 1Ц2У-200, 1Ц2У-250
Одноступенчатые цилиндрические редукторы серии ЦУ-100, ЦУ-160, ЦУ-200, ЦУ-250
Двухступенчатые цилиндрические редукторы серии 1Ц2У-315Н, 1Ц2У-355Н, 1Ц2У-400Н, 1Ц2Н-450, 1Ц2Н-500
Трехступенчатые цилиндрические редукторы ЦЗУ-160, ЦЗУ-200, ЦЗУ-250
Одноступенчатые червячные редукторы серии 1Ч-63А
Одноступенчатые червячные редукторы Ч-100, Ч-125, Ч-160
Одноступенчатые червячные редукторы 1Ч-160
Двухступенчатые редукторы Ч2-160
Редукторы червячные одноступенчатые 4Ч-80
Одноступенчатые червячные редукторы Ч-80
Одноступенчатые червячные редукторы 2Ч-40, 2Ч-63, 2Ч-80
Цилиндрические соосные мотор-редукторы MTC A
Цилиндрические соосные мотор-редукторы R (RF)
Двухступенчатые мотор-редукторы 4МЦ2С, 4МЦ2С-63, 4МЦ2С-80, 4МЦ2С-100, 4МЦ2С-125
Цилиндрические мотор-редукторы 1МЦ2С, 1МЦ2С-63, 1МЦ2С-80, 1МЦ2С-100, 1МЦ2С-125
Цилиндрические плоские мотор-редукторы серии F
Мотор-редукторы планетарные тип: 3МП-31,5; 3МП-40; 3МП-50; 3МП-63; 3МП-80; 3МП-100; 3МП-125
Мотор-редукторы планетарные двухступенчатые МПО2М-10, МПО2М-15
Мотор-редукторы планетарные одноступенчатые типа МПО1М-10
Мотор-редукторы планетарные МРВ-02 и МРВ-04
Волновые мотор-редукторы ЗМВз
Цилиндро-конические мотор-редукторы K
|