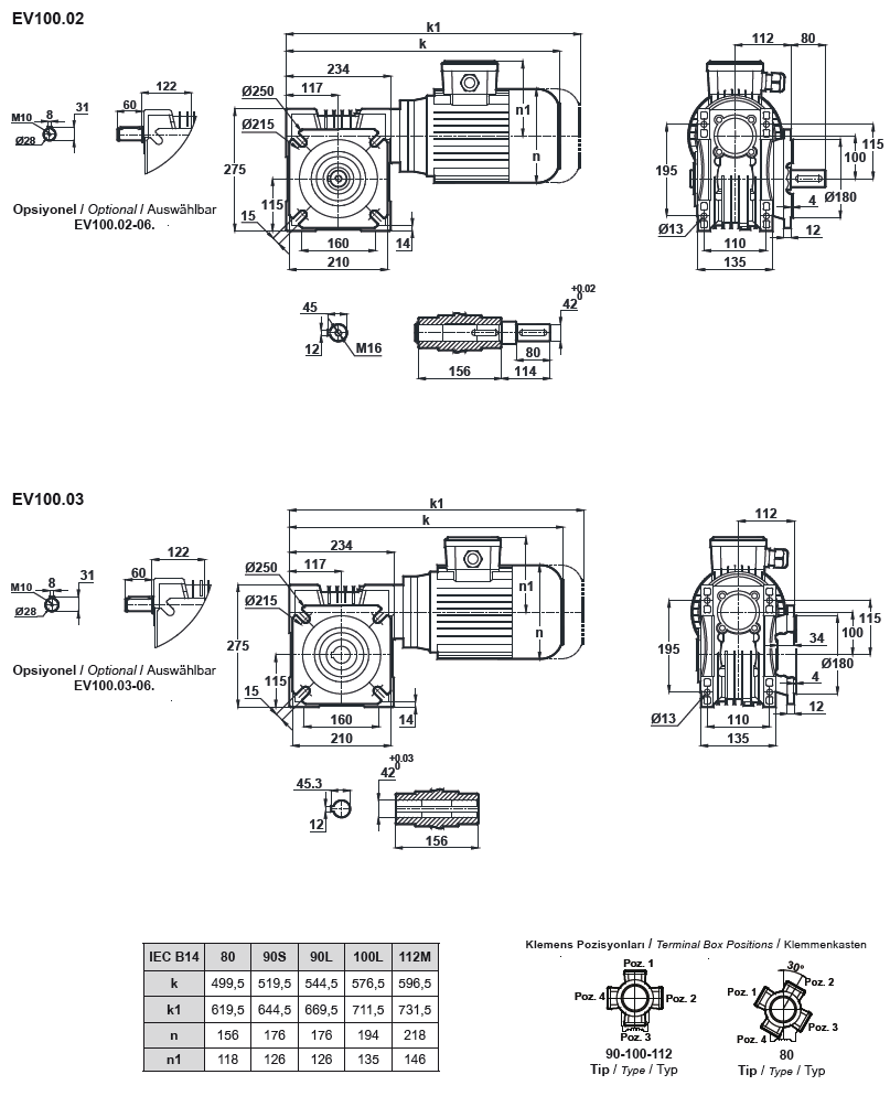
Червячный мотор-редуктор EV100 (EN100)

 

Назад

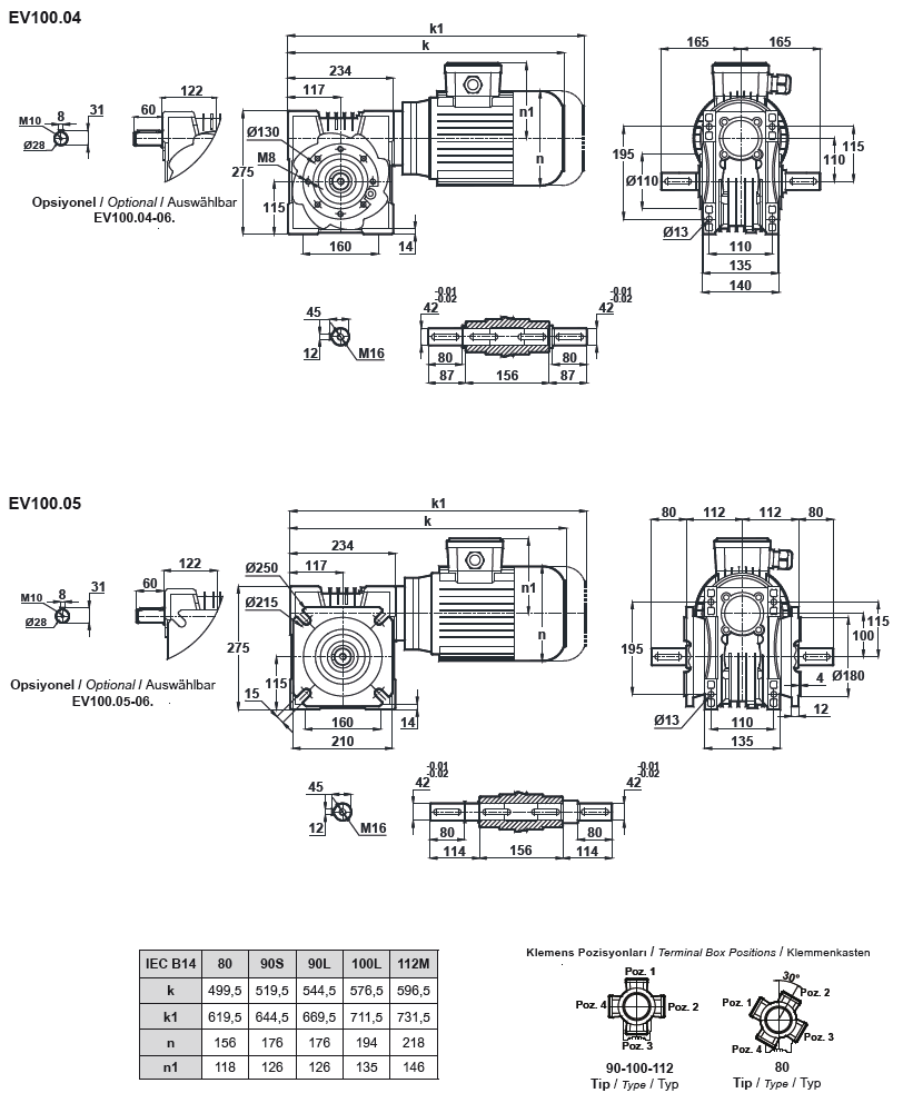
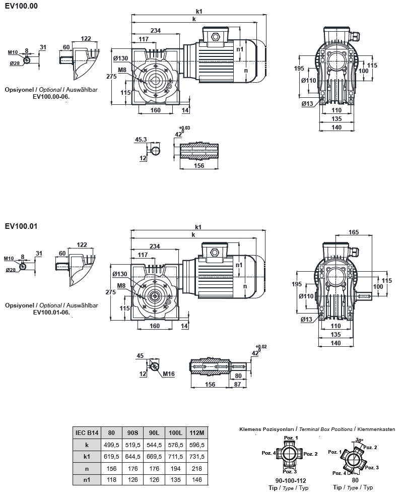
Червячный мотор-редуктор EV100 (EN100)

Червячный мотор-редуктор EV100 (EN100)

Назад

 
© 2014 Редукторы, мотор-редукторы, устройства плавного пуска, преобразователи частоты