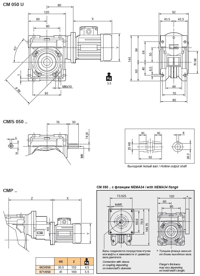
Мотор-редуктор CM050 имеет червячный тип и может понижать скорость вращения электродвигателя. Редуктор постовляется из Италии фирмой TRANSTECNO. Большой моштаб производства позволяет держать низкую цену и высокое качество. Выходной вал полый диаметром 25 мм.


|